

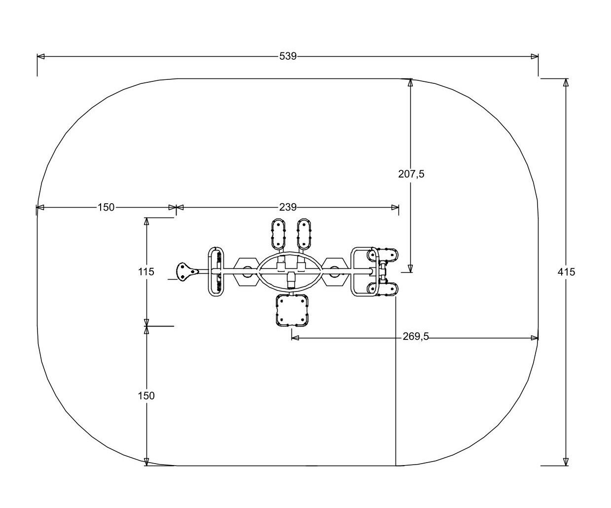
Rozměry prvku (d x š x v) | 115 x 239 x 133 cm |
---|---|
Dopadová plocha (d x š) | 415 x 539 cm |
Dopadová plocha | 22,36 m² |
Maximální hmotnost uživatele | 100 kg |
V souladu s normou: | EN 16 630 |
Cílová skupina | zařízení určené pro osoby vyšší než 140 cm |
Povzbuďte děti k venkovním aktivitám s našimi mini posilovnami (řada OFK) – navrženými tak, aby byly zábavné i bezpečné! Naše vybavení klade důraz na bezpečnost dětí, protože děti často napodobují dospělé při používání tradičních venkovních posiloven, což je může nevědomky vystavit rizikům. Venkovní posilovny pro dospělé nejsou přizpůsobeny výšce dětí, což představuje potenciální nebezpečí. Naše venkovní mini posilovny (OFK) tento problém efektivně řeší!
COMBO 4v1: Dětské venkovní posilovny jsou především skvělou zábavou. Děti si nejraději hrají ve skupině a proto jsme spojili čtyři zařízení v jedno. Kombinace prvků spojuje trénink, zábavu a mezilidské vztahy mezi vrstevníky. Toto zařízení se skládá z kola, stepperu, posilovacího stroje dolních končetin a surfu.
Účinek tréninku: Kolo: Zlepšuje krevní oběh v dolní části těla.
Stepper: Nárůst svalové hmoty / zlepšuje krevní oběh v dolní části těla.
Surf: Cvičení na tomto zařízení podporuje smysl pro rovnováhu a posiluje břišní a zádové svaly.
Posilovací stroj dolních končetin: Podporuje aktivitu kyčelních kloubů a bederní páteře. Posiluje břišní a zádové svaly.
Způsob použití: Surf: Pevně uchopte madlo a postavte obě nohy na nášlapy. Pohybujte nohama doprava a doleva, provádějte pohyb napodobující kyvadlo.
Posilovací stroj dolních končetin: Pevně uchopte madlo a postavte obě nohy na nášlapy. Roztáhněte nohy a pomalu je spojte.
Kolo: Posaďte se na sedadlo. Před zahájením cvičení se pevně uchopte madla. Pohybujte nohama dopředu, abyste poháněli mechanismus. Intenzitu cvičení přizpůsobte svým možnostem.
Stepper: Uchopte madlo, postavte se na nášlapy a poté přenášejte váhu těla z nohy na nohu.